高速公路防护网技术参数
更新日期:2022-08-11 点击量:

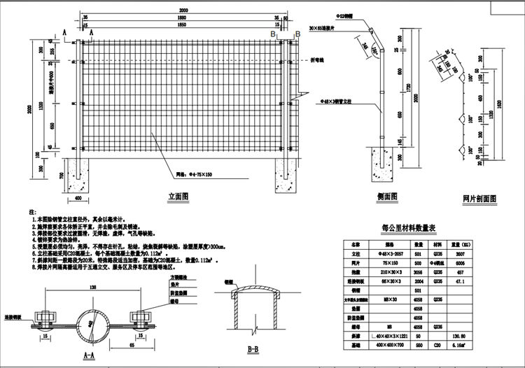
高速公路防护网设计要求:
1.本图除钢管立柱直径外,其余以毫米计。
2.施焊前要求各体矫正平直,并去除毛刺及锈迹。
3.焊接部位要求过渡圆滑,无焊渣,虚焊,气孔等缺陷。
4.镀锌要求为热涂锌。
5.浸塑层必须均匀,亮泽,不得存在针孔,粘结,烧焦裂解等缺陷,涂塑层厚度>300um。
6.立柱基础采用C20混凝土,每个基础混凝土数量为0. 112m³。
7.斜撑间距一般路段为20米,特殊路段适当加密,基础为C20混凝土,数量0.112m²。
8.焊接片网隔离栅适用于互通立交、服务区及停车区范围等地区。
上一篇:钢板网隔离栅生产厂家 下一篇:高速公路刺铁丝围栏多少钱一米
相关新闻
- 2025-02-18道路护栏的保护方法
- 2023-05-16广州绕城高速公路防眩网项目
- 2023-05-16宁夏高速公路焊接网隔离栅技术图纸支持
- 2023-05-16G331线布尔津至哈巴河公路刺钢丝隔离栅图纸
- 2023-02-25监狱刀刺网围墙生产厂家




