高速公路刺铁丝围栏多少钱一米
更新日期:2022-08-11 点击量:

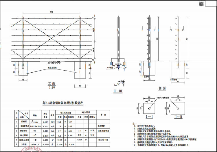
高速公路刺铁丝围栏一般说明:
1、图中尺寸均以毫米计。
2 、刺钢丝的刺距为10厘米。
3 、刺钢丝可采用普通低碳钢丝或低合金钢丝。
4 、刺钢丝的抗拉断力荷载不得低于2500牛顿。
5 、刺钢丝与立柱表面的防腐层厚度应符合GB/118226-2015相关要求。
6 、刺钢丝的防腐应符合GB/T18226-2015中规定的耐盐雾实验少200小时的要求。
7、基础混凝土强度达到70%后方可安装刺钢丝。
8、 普通路段设置基础混凝土Ⅰ,每隔10伽及端头设置基础混凝土Ⅱ。
上一篇:高速公路防护网技术参数 下一篇:伊利健康谷定制围栏厂家
相关新闻
- 2025-02-18道路护栏的保护方法
- 2023-05-16广州绕城高速公路防眩网项目
- 2023-05-16宁夏高速公路焊接网隔离栅技术图纸支持
- 2023-05-16G331线布尔津至哈巴河公路刺钢丝隔离栅图纸
- 2023-02-25监狱刀刺网围墙生产厂家




