干渠渠道围栏施工方案及详细参数
更新日期:2023-02-03 点击量:

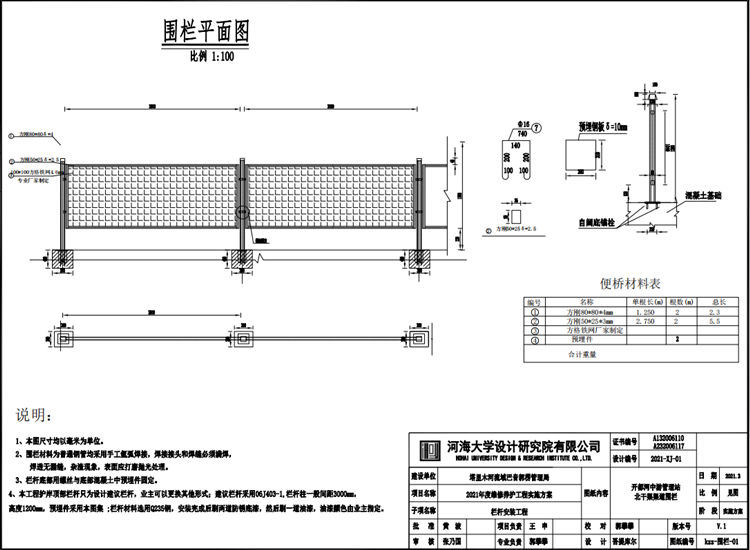
干渠渠道围栏施工方案
1、本图渠道围栏尺寸均以毫米为单位。
2、围栏材料为普通钢管均采用手工氩弧焊接,焊接接头和焊缝必须满焊,焊透无漏缝,杂渣现象,表面应打磨抛光处理。
3、栏杆底部用螺丝与底部混凝土中预埋件固定。
4、本工程护岸顶部栏杆只为设计建议栏杆,业主可以更换其他形式;建议栏杆采用06J403-1, 栏杆柱一般间距3000mm,高度1200m,预埋件采用本图集;栏杆材料选用Q235钢,安装完成后刷两道防锈底漆,然后刷一道油漆,油漆颜色由业主指定。
干渠渠道围栏制造参数
1、立柱,方钢80*80*4.0mm;
2、边框,方钢25*50*2.5mm;
3、网格,100*100mm方孔;
4、网丝,Φ4.6mm低碳钢丝;
5、预埋钢板,200*200*10mm;
6、整体尺寸,1.2*3米。
上一篇:机场飞行区保障钢筋网围界设计规范 下一篇:高速防落物网设计标准及报价价格
相关新闻
- 2025-02-18道路护栏的保护方法
- 2023-05-16广州绕城高速公路防眩网项目
- 2023-05-16宁夏高速公路焊接网隔离栅技术图纸支持
- 2023-05-16G331线布尔津至哈巴河公路刺钢丝隔离栅图纸
- 2023-02-25监狱刀刺网围墙生产厂家




